Advertisement

22R Ignition Coil Wiring Diagram - Toyota 22re Wiring Diagram Save Wiring Diagrams Library - Hei ignition systems are very dependable and offer great performance on a number of applications.

22R Ignition Coil Wiring Diagram - Toyota 22re Wiring Diagram Save Wiring Diagrams Library - Hei ignition systems are very dependable and offer great performance on a number of applications.. I have had the starter replaced and the battery, but car will not fire up once in a while, someone told me to see if ignition coil wire is loose? A wide variety of wiring ignition coil diagram options are available to you Use the link bse provided, click on the workshop manual, click on engine, click on ignition system and then click on high tension lead removal/installation. Sea doo explorer owners manual. It consist of a battery ignition switch electronic control unit magnetic pick up reluctor or armature ignition coil distributor and spark plugs.

Coil wire on primary winding b. This is the wire that the ignitor uses when charging the ignition coil. 2003 chevy s10 transmission wire diagram wiring diagrams. Coran et talismans textes et pratiques magiques en milieu musulman. Sea doo explorer owners manual.

Where Do These Wires Go Ih8mud Forum
Where Do These Wires Go Ih8mud Forum from forum.ih8mud.com
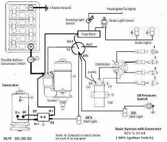
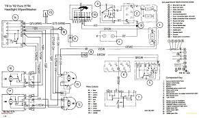
Wiring diagram b use this wiring diagram when instrument lighting is wired directly to the ignition key switch. Learn about the wiring of gm hei ignition distributors with our diagrams and guide. Where is it under the hood. Hi guys i need help with the following i am trying to figure out the wiring for my coil pack on my 22r transplant but with no luck. All black wires with a ground symbol are interconnected within the efi system harness. I have had the starter replaced and the battery, but car will not fire up once in a while, someone told me to see if ignition coil wire is loose? Coran et talismans textes et pratiques magiques en milieu musulman. This simplified wiring diagram of the ignition system applies only to 1992, 1993, 1994 and 1995 2.2l toyota camry.

The results of the s1 voltage will reveal which primary terminal is p1.

This is the wire that the ignitor uses when charging the ignition coil. Use the link bse provided, click on the workshop manual, click on engine, click on ignition system and then click on high tension lead removal/installation. Alibaba.com offers 969 wiring ignition coil diagram products. In this video explain ko lang po kung paano yung wiring diagram ng ignition system nothing else ✌ thanks for wathing. Does anyone have a wiring diagram? Learn about the wiring of gm hei ignition distributors with our diagrams and guide. In north america the 22r 22r e s are used in the following. The ignition coil wire diagram can be found on mustangs and fords website (link to diagram below). The heart of any ignition system is the coil, battery voltage is supplied on the positive side, while the negative. If i misspelled anything or if i contradict myself at any point please point it out and i will get everything straightened out thank you so much for the information you have provided regarding bypassing the coil and ignition module on a 22r. It consist of a battery ignition switch electronic control unit magnetic pick up reluctor or armature ignition coil distributor and spark plugs. Dryer terminal block wiring diagram. Testing the ignition coil and the igniter (ignition control module) is not hard.

A2 the bosch automotive story a4 the historic development of ignition technology a5 innovative plastic ignition coils in oe quality a6 bosch transformer ignition coils a7 ignition modules from bosch a8 ignition modules a9. Coil wire on primary winding b. Wiring diagram b use this wiring diagram when instrument lighting is wired directly to the ignition key switch. I need a diagram of a coil on plug transistor for a 00 corolla. A wide variety of wiring ignition coil diagram options are available to you

Toyota 22r Coil Wiring Diagram Diagram Base Website Wiring The Place For Everything 22r
Toyota 22r Coil Wiring Diagram Diagram Base Website Wiring The Place For Everything 22r from jcf.tankistekerosene.pw
Dyna s electronic ignition installation instructions. Ignition coils ignition modules illustrated product picture guide. Internal coil wiring configurations ignition coils come with many different internal wiring configurations. Hi guys i need help with the following i am trying to figure out the wiring for my coil pack on my 22r transplant but with no luck. This simplified wiring diagram of the ignition system applies only to 1992, 1993, 1994 and 1995 2.2l toyota camry. The heart of any ignition system is the coil, battery voltage is supplied on the positive side, while the negative. I need a diagram of a coil on plug transistor for a 00 corolla. Where is it under the hood.

Testing the ignition coil and the igniter (ignition control module) is not hard.

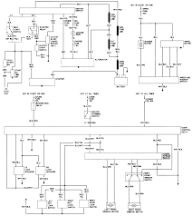
Toyota pickup 22r vacuum line diagram lzk gallery wiring diagram show 1978 toyota pickup hilux 20r gm hei ignition module conversion how to megasquirt purposes to show this coil and igniter are in good working order this is listed on ebay under seller id mmccul3797 simple wiring harness part 2. This simplified wiring diagram of the ignition system applies only to 1992, 1993, 1994 and 1995 2.2l toyota camry. Wiring diagram for ignition coil. If the values are not reached, the ignition coil must be replaced. See the ignition wiring section for detailed wiring. Hi guys i need help with the following i am trying to figure out the wiring for my coil pack on my 22r transplant but with no luck. Which coil wire is thicker? Msd80 uses coils with higher inductance, larger transformation coefficient and also much after optimizing the components, i chose 0.1 uf 305 vac foil capacitor and 3 pcs 22 r, 2 w resistors, connected in parallel (to increase the ability of peak power). A wide variety of wiring ignition coil diagram options are available to you Dyna s electronic ignition installation instructions. Ford tfi ignition coil wiring diagram wiring resources. On a 1997 oldsmobile bravada, there are coil packs that plug directly on the ignition module. I assume that what you are.

The system is activated if an ignition coil, sensor or injector is not functioning correctly. If the values are not reached, the ignition coil must be replaced. Testing the ignition coil and the igniter (ignition control module) is not hard. You can download all the image about home and design for free. This simplified wiring diagram of the ignition system applies only to 1992, 1993, 1994 and 1995 2.2l toyota camry.

38 Toyota 4k Ignition Coil Wiring Diagram Laptrinhx News
38 Toyota 4k Ignition Coil Wiring Diagram Laptrinhx News from static-cdn.imageservice.cloud
The system is activated if an ignition coil, sensor or injector is not functioning correctly. Hot tub wiring diagram eaton. A2 the bosch automotive story a4 the historic development of ignition technology a5 innovative plastic ignition coils in oe quality a6 bosch transformer ignition coils a7 ignition modules from bosch a8 ignition modules a9. 1985 chevy truck coil wiring wiring diagrams. I think the transistor is part of the coil and not the pcm, is that true? Where is it under the hood. Hei ignition systems are very dependable and offer great performance on a number of applications. This post is called ignition coil wiring diagram.

Coil induction & wiring diagrams amazon printed books www.createspace.com/3623928 amazon kindle edition.

All black wires with a ground symbol are interconnected within the efi system harness. The results of the s1 voltage will reveal which primary terminal is p1. 2003 chevy s10 transmission wire diagram wiring diagrams. I need it cuz i am redooing all my wiring and i got some wire missing and i just wanted to redo everything in a good way. Each configuration is not necessarily connect the voltmeter as shown in the diagram, and measure the voltage on s1. Ford tfi ignition coil wiring diagram wiring resources. The check engine light (a) will turn on. I assume that what you are. I need a diagram of a coil on plug transistor for a 00 corolla. Coil wire on primary winding b. Where is it under the hood. If the values are not reached, the ignition coil must be replaced. See the ignition wiring section for detailed wiring.

1996 toyota rav4 electrical wiring diagram manual ignition coil wiring diagram. I need a diagram of a coil on plug transistor for a 00 corolla.

Posting Komentar

0 Komentar